expanded metal

5519c55cc593f80c2ed15f00_metal-1.jpg

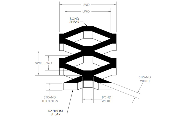
lwd

“Long Way of Diamond/Design” dimension

5519c55cc593f80c2ed15f00_metal-1.jpg

swd

“Short Way of Diamond/Design” dimension

5519c55cc593f80c2ed15f00_metal-1.jpg

lwo

“Long Way of Opening” dimension; used to indicate clear opening in the long direction

5519c55cc593f80c2ed15f00_metal-1.jpg

swo

“Short Way of Opening” dimension; used to indicate clear opening in the short direction

5519c55cc593f80c2ed15f00_metal-1.jpg

strand thickness

Equal to the thickness of the sheet metal used

5519c55cc593f80c2ed15f00_metal-1.jpg

strand width

The amount of metal fed under the dies to produce one strand

5519c55cc593f80c2ed15f00_metal-1.jpg

bond sheared

Where two strands intersect. Eliminates prongs or jagged edges.

5519c55cc593f80c2ed15f00_metal-1.jpg

random shear

This type of shearing leaves prongs or jagged edges.

Thundercats dreamcatcher hella cred 90's mlkshk.

Get a quote